вконтакте

Контактный телефон: +7 (981) 121-46-93, +7 (800) 200-90-76 , Email: parts-katalog@yandex.ru, где купить

 
 
Главная Как заказать Каталоги Контакты

  Логин:

Пароль:

Регистрация

Узнать наличие и цену запчасти:


УВАЖАЕМЫЕ КЛИЕНТЫ!
C 19 ДЕКАБРЯ 2025 ПО 02 МАРТА 2026 ГОДА ОТДЕЛ ЗАПЧАСТЕЙ И СЕРВИС РАБОТАТЬ НЕ БУДУТ
ПРОДАЖА ЛОДОЧНЫХ МОТОРОВ В ШТАТНОМ РЕЖИМЕ
ОБ ИЗМЕНЕНИЯХ В ГРАФИКЕ РАБОТЫ ЧИТАЙТЕ НА САЙТА



Лодочные моторы :: Suzuki :: Четырехтактные :: Suzuki DF-2.5 - 2009


РАЗДЕЛ КАТАЛОГА ЗАПЧАСТЕЙ SUZUKI DF 2.5 SK9 P1 2009
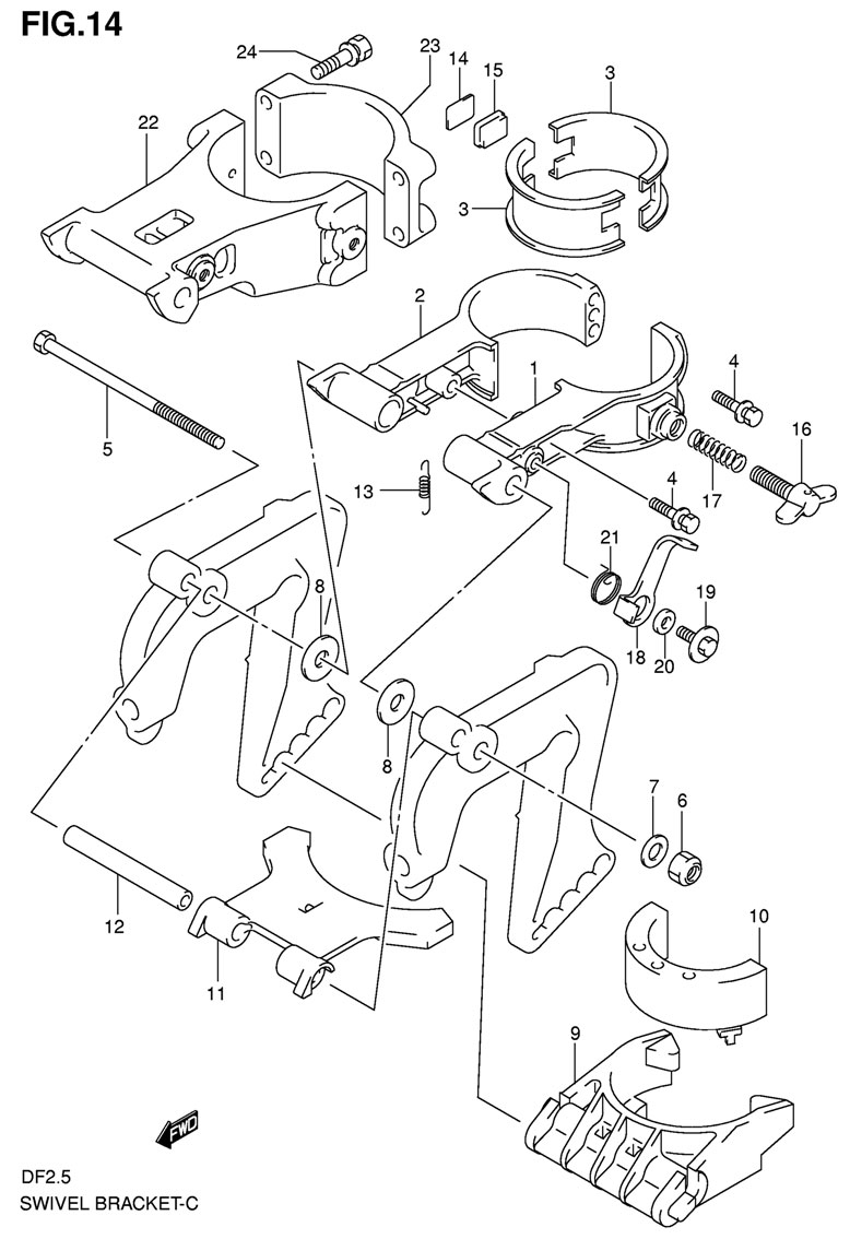
ПОВОРОТНЫЙ КРОНШТЕЙН (SWIVEL BRACKET)
FIG.14

шарниры кронштейна suzuki df 2.5 sk9 Swivel Bracket

Чтобы узнать цену, наличие запасной части на складе или купить, нажмите ссылку "запросить цену". Чтобы посмотреть подробную информацию и фотографии, нажмите на код запчасти. Для запчастей со статусом "не поставляется" можете попробовать уточнить возможность поставки.

все блоки

Номер
на чертеже
Код по каталогуНазвание (eng)Название (rus)Цена
00143111-97J00-0EP

BRACKET, SWIVEL PORT (BLACK) (MODEL:06,07, ->3110-97J10-0EP, BRACKET ASSY, SWIVEL)

Кронштейн шарнирого соединения (черный), левая сторона (модели 2006-2007 года, ->3110-97J10-0EP)

по запросу
00243121-97J00-0EP

BRACKET, SWIVEL STBD (BLACK) (MODEL:06,07, ->3110-97J10-0EP, BRACKET ASSY, SWIVEL)

Кронштейн шарнирого соединения (черный), правая сторона (модели 2006-2007 года, ->3110-97J10-0EP)

по запросу
00343711-97J00-000

Bush Steering Upper

Верхняя втулка рулевого управления

по запросу
00409116-06121-000

BOLT, SWIVEL BRACKET (MODEL:06,07)

Болт кронштейна шарниров (модели 2006-2007 года)

по запросу
00559111-97J00-000

BOLT, SWIVEL SHAFT

Болт кронштейна шарниров

по запросу
00609159-08018-000

NUT, SWIVEL SHAFT

Гайка кронштейна шарниров

по запросу
00709160-08091-000

WASHER, SWIVEL SHAFT (8.5X14X1.0)

Шайба шарнирного вала (8.5x14x1.0)

по запросу
00809160-08081-000

WASHER, TILT FRICTION (8.5X23X1.5)

Шайба трения при наклоне (8.5x23x1.5)

по запросу
00945411-97J00-000

BLOCK, THRUST

Блок опоры

по запросу
45411-97J20-000

BLOCK, THRUST (MODEL:09)

Блок опоры (модели 2009 года)

по запросу
01054151-97J00-000

MOUNT, LOWER THRUST

Монтажная опора нижняя

по запросу
01143751-97J01-000

BRACKET, STOPPER

Кронштейн стопора

по запросу
01243752-97J00-000

SHAFT, STOPPER

Вал стопора

по запросу
01359443-97J00-000

SPRING, STOPPER

Пружина стопора

по запросу
01443415-97J00-000

PLATE, STEERING ADJUSTER

Плата регулятора рулевого управления

по запросу
43415-97J10-000

PLATE, STEERING ADJUSTER (MODEL:08~09)

Плата регулятора рулевого управления (модели 2008-2009 года)

по запросу
01543416-97J00-000

RUBBER, STEERING ADJUSTER

Резинка регулятора рулевого управления

по запросу
43416-97J10-000

RUBBER, STEERING ADJUSTER (MODEL:08~09)

Резинка регулятора рулевого управления (модели 2008-2009 года)

по запросу
01609119-06110-000

BOLT, STEERING ADJUSTER

Болт регулятора рулевого управления

по запросу
01709440-09042-000

SPRING, STEERING ADJUSTER

Пружина регулятора рулевого управления

по запросу
01841221-97J10-000

LEVER, TILT LOCK (<-1221-97J00)

Рукоятка блокировки наклона (<-1221-97J00)

по запросу
01909116-06127-000

BOLT, TILT LOCK LEVER

Болт рукоятки блокировки наклона

по запросу
02059181-97J10-000

SPACER, TILT LOCK LEVER

Прокладка рукоятки блокировки наклона

по запросу
02159444-97J00-000

SPRING, TILT LOCK

Пружина блокировки наклона

по запросу
59444-97J10-000

SPRING, TILT LOCK (MODEL:08~09)

Пружина блокировки наклона (модели 2008-2009 года)

по запросу
02243111-97J10-0EP

BRACKET, SWIVEL (MODEL:08~09)

Кронштейн шарнирого соединения (модели 2008-2009 года)

по запросу
02343121-97J10-0EP

COVER, SWIVEL BRACKET (MODEL:08~09)

Кронштейн шарнирого соединения (модели 2008-2009 года)

по запросу
02409116-06207-000

BOLT, SWIVEL BRACKET (MODEL:08~09)

Болт шарнирного кронштейна (модели 2008-2009 года)

по запросу
02543110-97J10-0EP

BRACKET ASSY, SWIVEL (OPT,NOT SHOWN, INC.NO.22,23,24, MODEL:08~09)

Кронштейн шарнирный, в сборе (не нарисован) (опция, включает номера 22, 23, 24)

по запросу

Другие запчасти двигателя Suzuki DF2.5 SK9


 
 

данный сайт носит информационный характер и не является публичной офертой

склад запчастей для водомоторной техники