вконтакте

Контактный телефон: +7 (981) 121-46-93, +7 (800) 200-90-76 , Email: parts-katalog@yandex.ru, где купить

 
 
Главная Как заказать Каталоги Контакты

  Логин:

Пароль:

Регистрация

Узнать наличие и цену запчасти:


УВАЖАЕМЫЕ КЛИЕНТЫ!
C 19 ДЕКАБРЯ 2025 ПО 02 МАРТА 2026 ГОДА ОТДЕЛ ЗАПЧАСТЕЙ И СЕРВИС РАБОТАТЬ НЕ БУДУТ
ПРОДАЖА ЛОДОЧНЫХ МОТОРОВ В ШТАТНОМ РЕЖИМЕ
ОБ ИЗМЕНЕНИЯХ В ГРАФИКЕ РАБОТЫ ЧИТАЙТЕ НА САЙТА



Лодочные моторы :: Suzuki :: Четырехтактные :: Suzuki DF2.5 - 2009


ЗАПЧАСТИ НА МОТОР SUZUKI DF-2.5-SK9-P1-2009
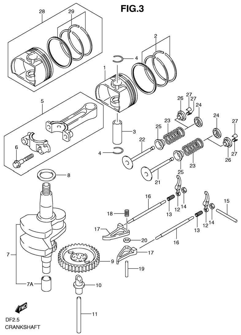
КОЛЕНЧАТЫЙ ВАЛ (CRANKSHAFT)
FIG.3

коленчатый вал мотора suzuki df 2.5 sk9 2009 Crankshaft

Чтобы узнать цену, наличие запасной части на складе или купить, нажмите ссылку "запросить цену". Чтобы посмотреть подробную информацию и фотографии, нажмите на код запчасти. Для запчастей со статусом "не поставляется" можете попробовать уточнить возможность поставки.

все блоки

Номер
на чертеже
Код по каталогуНазвание (eng)Название (rus)Цена
00112111-97J00-0B0

PISTON

Поршень

по запросу
12111-97J10-0B0

PISTON (MODEL:08~09)

Поршень (для моделей 2008-2009 года)

по запросу
00212140-97J00-000

RING SET, PISTON

Кольца поршневые STD

по запросу
00312151-97J00-000

PIN, PISTON

Палец поршня

по запросу
00459382-97J00-000

CIRCLIP

Стопорное кольцо (пружинное)

по запросу
00512160-97J00-0A0

CONNROD ASSY (RED)

Шатун в сборе (красный)

по запросу
00612163-92F00-000

BOLT CONNROD

Болт

по запросу
00712220-97J01-0B0

CRANKSHAFT (NO PAINT)

Коленчатый вал (без цвета)

по запросу
007A12242-97J00-000

SPLINE

Сплайн

по запросу
00808211-17241-000

WASHER, CRANKSHAFT THRUST

Шайба коленвала упорная

по запросу
00912710-97J00-000

CAMSHAFT

Распределительный вал

по запросу
01012742-97J10-000

SHAFT, OIL PUMP

Вал масляной помпы

по запросу
01112743-97J00-000

SHAFT

Вал

по запросу
01212840-97J00-000

ARM ASSY, VALVE ROCKER

Рычаг клапана в сборе

по запросу
12840-97J10-000

ARM ASSY, VALVE ROCKER (MODEL:09)

Рычаг клапана в сборе (для моделей 2009 года)

по запросу
01312842-22G10-000

SCREW, TAPPET ADJUSTING

Винт толкателя клапана

по запросу
01412843-27A00-000

NUT, TAPPET ADJUSTING

Гайка толкателя клапана

по запросу
01509261-04017-000

SHAFT, VALVE ROCKER ARM

Вал рычага клапана

по запросу
01612894-97J00-000

ROD, PUSH

Штанга толкающая (толкатель)

по запросу
01712845-97J00-000

ARM, CAM ROCKER

Рычаг кулака

по запросу
01812847-22G00-000

SPRING, CAM ROCKER ARM

Пружина коромысла

по запросу
01909261-04005-000

SHAFT, CAM ROCKER ARM

Вал коромысла

по запросу
02008322-0104A-000

WASHER, CAM ROCKER ARM

Шайба коромысла

по запросу
02112911-97J00-000

VALVE, INTAKE

Клапан впускной

по запросу
12911-97J10-000

VALVE, INTAKE (MODEL:09)

Клапан впускной (для моделей 2009 года)

по запросу
02212915-97J00-000

VALVE, EXHAUST

Клапан выпускной

по запросу
12915-97J10-000

VALVE, EXHAUST (MODEL:09)

Клапан выпускной (для моделей 2009 года)

по запросу
02312921-97J00-000

SPRING, VALVE

Пружина клапана

по запросу
12921-97J20-000

SPRING, VALVE (MODEL:09)

Пружина клапана (для моделей 2009 года)

по запросу
02412931-22G00-000

RETAINER, VALVE SPRING (MODEL:06~08)

Коромысло пружины клапана (для моделей 2006-2008 года)

по запросу
02509289-04006-000

SEAL, VALVE STEM OIL

Маслосьемный колпачок

по запросу
02612931-97J00-000

RETAINER, VALVE SPRING (MODEL:09)

Коромысло пружины клапана (для моделей 2009 года)

по запросу
02712932-05C00-000

COTTER, VALVE (MODEL:09)

Клин клапана (для моделей 2009 года)

по запросу
02812100-97J00-050

PISTON SET (OS:0.50) (OPT)

Поршень с кольцами (OS:0.50) (опция)

по запросу
02912140-97J00-050

RING SET, PISTON (OS:0.50) (OPT)

Кольца поршневые (OS:0.50) (опция)

по запросу

Полный каталог запчастей на мотор Suzuki DF2.5 SK9


 
 

данный сайт носит информационный характер и не является публичной офертой

склад запчастей для водомоторной техники