вконтакте

Контактный телефон: +7 (981) 121-46-93, +7 (800) 200-90-76 , Email: parts-katalog@yandex.ru, где купить

 
 
Главная Как заказать Каталоги Контакты

  Логин:

Пароль:

Регистрация

Узнать наличие и цену запчасти:


УВАЖАЕМЫЕ КЛИЕНТЫ!
C 19 ДЕКАБРЯ 2025 ПО 02 МАРТА 2026 ГОДА ОТДЕЛ ЗАПЧАСТЕЙ И СЕРВИС РАБОТАТЬ НЕ БУДУТ
ПРОДАЖА ЛОДОЧНЫХ МОТОРОВ В ШТАТНОМ РЕЖИМЕ
ОБ ИЗМЕНЕНИЯХ В ГРАФИКЕ РАБОТЫ ЧИТАЙТЕ НА САЙТА



Лодочные моторы :: Suzuki :: Четырехтактные :: Suzuki DF15SK9 2009


КУПИТЬ ОРИГИНАЛЬНЫЕ ЗАПЧАСТИ НА МОТОР SUZUKI DF15 S K9
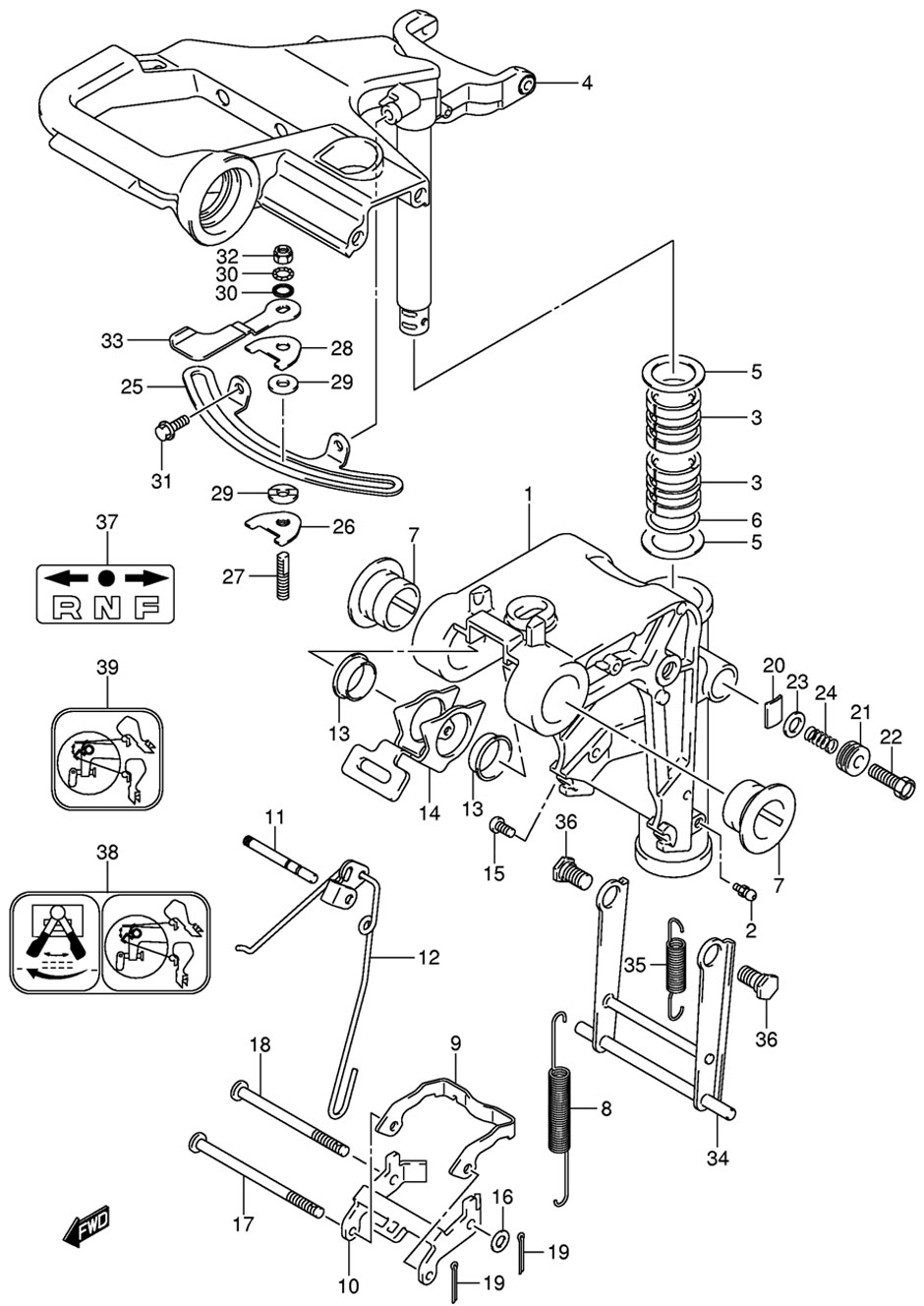
ПОВОРОТНЫЙ КРОНШТЕЙН (SWIVEL BRACKET) (МОДЕЛИ 2005-2009 ГОДА)

поворотный кронштейн мотора suzuki df15 sk9 2005-2009 года

Чтобы узнать цену, наличие запасной части на складе или купить, нажмите ссылку "запросить цену". Чтобы посмотреть подробную информацию и фотографии, нажмите на код запчасти. Для запчастей со статусом "не поставляется" можете попробовать уточнить возможность поставки.

все блоки

Номер
на чертеже
Код по каталогуНазвание (eng)Название (rus)Цена
00143111-94J00-0EP

BRACKET, SWIVEL

Кронштейн шарнирого соединения

по запросу
00222511-99010-000

NIPPLE

Ниппель

по запросу
00343711-93901-000

BUSH, STEERING

Втулка, рулевое управление

по запросу
00443750-94J01-0EP

BRACKET, STEERING

Кронштейн, рулевое управление

по запросу
00509160-27009-000

WASHER (27.5X47X2.0)

Шайба (27.5x47x2.0)

по запросу
00609280-27004-000

O RING (D:3.1 ID:26.2)

Уплотнительное кольцо (D:3.1 ID:26.2)

по запросу
00743211-94401-000

BUSH, SWIVEL SHAFT

Втулка шарнирного соединения

по запросу
00845212-94J00-000

SPRING, REVERSE LOCK ARM

Пружина блокировки заднего хода

по запросу
00945231-94J00-000

ARM, REVERSE LOCK

Рычаг блокировки заднего хода

по запросу
01045241-94J00-000

LINK, REVERSE LOCK ARM

Тяга рычага блокировки заднего хода

по запросу
01141225-94501-000

PIN, RELEASE ARM

Штифт рычага разблокировки

по запросу
01245250-94J00-000

LINK, RELEASE

Тяга разблокировки (расцепления)

по запросу
01309306-22006-000

BUSH

Втулка

по запросу
01445261-94J00-000

LEVER, RELEASE

Рычаг сцепления

по запросу
01529125-93J10-000

SCREW, LEAD (<-9125-05050)

Винт провода (<-9125-05050)

по запросу
01609160-06082-000

WASHER

Шайба

по запросу
01709200-05014-000

PIN

Стопор

по запросу
01809200-06061-000

PIN

Стопор

по запросу
01909204-01002-000

PIN, COTTER (<-5247-94J00)

Стопор шпонки (<-5247-94J00)

по запросу
02043411-93900-000

PLATE, STEERING ADJUSTER

Пластина регулятора управления

по запросу
02143412-93900-000

COVER, STEERING ADJUSTER (<-3412-94J00)

Крышка регулятора управления

по запросу
02209100-08232-000

BOLT (8X30)

Болт (8x30)

по запросу
02309160-08082-000

WASHER (8.5X16X1.2)

Шайба (8.5x16x1.2)

по запросу
02443419-94J00-000

SPRING

Пружина

по запросу
02543415-94J00-000

PLATE, STEERING ADJUSTER

Плата, регулировочное приспособление

по запросу
02643420-94J10-000

NUT

Гайка

по запросу
02743512-94J00-000

SHAFT, STEERING ADJUSTER

Вал регулятора

по запросу
02843514-94J00-000

PLATE, FRICTION

Трущаяся пластина

по запросу
02943514-95J00-000

WASHER, FRICTION PLATE

Шайба трущейся пластины

по запросу
03043516-89J00-000

WASHER, STEERING ADJUSTER

Шайба регулятора

по запросу
03129116-93J00-000

BOLT, ADJUSTER PLATE (<-9116-06106)

Болт регулирующей пластины (<-9116-06106)

по запросу
03209159-08059-000

NUT, ADJUSTER UPPER

Гайка, регулировка сверху

по запросу
03343411-94J00-000

ADJUSTER, STEERING

Регулятор управления

по запросу
03445710-94J00-000

ARM, SHALLOW DRIVE

Рычаг движения на мелководье

по запросу
03545722-94J00-000

SPRING, ARM

Пружина ручки

по запросу
03609111-10032-000

BOLT

Болт

по запросу
03721131-94J00-000

MARK, CLUTCH SHIFT

Маркировка, переключатель сцепления

по запросу
03845269-94J00-000

MARK, REVERSE LOCK

Маркировка, блокировка заднего хода

по запросу
03945269-94J20-000

MARK, REVERSE LOCK (DF9.9R/15R)

Маркировка, блокировка заднего хода (DF9.9R/15R)

по запросу

Другие запчасти на лодочный мотор Suzuki DF15 S


 
 

данный сайт носит информационный характер и не является публичной офертой

склад запчастей для водомоторной техники