вконтакте

Контактный телефон: +7 (981) 121-46-93, +7 (800) 200-90-76 , Email: parts-katalog@yandex.ru, где купить

 
 
Главная Как заказать Каталоги Контакты

  Логин:

Пароль:

Регистрация

Узнать наличие и цену запчасти:


УВАЖАЕМЫЕ КЛИЕНТЫ!
C 19 ДЕКАБРЯ 2025 ПО 02 МАРТА 2026 ГОДА ОТДЕЛ ЗАПЧАСТЕЙ И СЕРВИС РАБОТАТЬ НЕ БУДУТ
ПРОДАЖА ЛОДОЧНЫХ МОТОРОВ В ШТАТНОМ РЕЖИМЕ
ОБ ИЗМЕНЕНИЯХ В ГРАФИКЕ РАБОТЫ ЧИТАЙТЕ НА САЙТА



Лодочные моторы :: Suzuki :: Четырехтактные :: Suzuki DF15SK9 2009


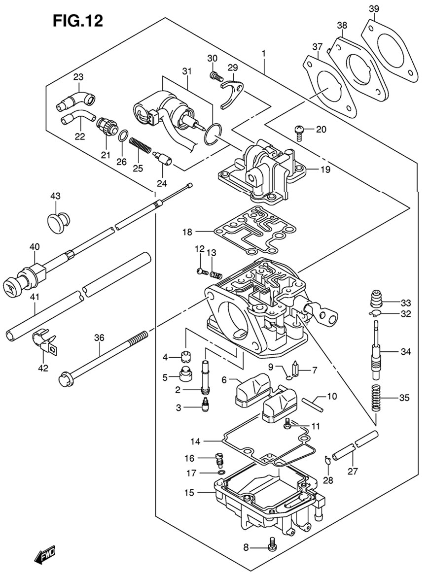
ЗАПЧАСТИ НА ЛОДОЧНЫЙ ДВИГАТЕЛЬ SUZUKI DF15S K9
КАРБЮРАТОР (CARBURETOR) (МОДЕЛИ 2005-2009 ГОДА)

карбюратор мотора suzuki df15 sk9 модели 2005-2009 года

Чтобы узнать цену, наличие запасной части на складе или купить, нажмите ссылку "запросить цену". Чтобы посмотреть подробную информацию и фотографии, нажмите на код запчасти. Для запчастей со статусом "не поставляется" можете попробовать уточнить возможность поставки.

все блоки

Номер
на чертеже
Код по каталогуНазвание (eng)Название (rus)Цена
00113200-94J20-000

CARBURETOR ASSY (DF9.9)

Карбюратор в сборе для моделей Suzuki DF9.9

по запросу
13200-94J30-000

CARBURETOR ASSY (DF9.9R)

Карбюратор в сборе для моделей Suzuki DF9.9R

по запросу
13200-94J60-000

CARBURETOR ASSY (DF15)

Карбюратор в сборе для моделей Suzuki DF15

по запросу
13200-94J70-000

CARBURETOR ASSY (DF15R)

Карбюратор в сборе для моделей Suzuki DF15R

по запросу
00213236-94J10-000

NOZZLE, MAIN (DF9.9)

Распылитель главный для Suzuki DF9.9

по запросу
13236-94J00-000

NOZZLE, MAIN (DF15/15R)

Распылитель главный для Suzuki DF15/15R

по запросу
00309491-23029-000

JET, MAIN (115) (DF15/15R)

Главный жиклер (115) для мотора Suzuki DF15/15R

по запросу
09491-70017-000

JET, MAIN (70) (DF9.9/9.9R)

Главный жиклер (70) для мотора Suzuki DF9.9/9.9R

по запросу
00409492-38009-000

JET, PILOT (38) (DF9.9/9.9R)

Вспомогательный жиклер (38) для мотора Suzuki DF9.9/9.9R

по запросу
09492-40029-000

JET, PILOT (40) (DF15/15R)

Вспомогательный жиклер (40) для мотора Suzuki DF15/15R

по запросу
00513239-94J00-000

CAP, RUBBER

Крышка резиновая

по запросу
00613250-94J00-000

FLOAT

Поплавок

по запросу
00713370-94J00-000

VALVE, FLOAT

Клапан поплавка

по запросу
00813247-94J00-000

SCREW

Винт

по запросу
00913375-26E00-000

CLIP

Крепёж

по запросу
01013254-94J00-000

PIN, ARM

Штифт ручки

по запросу
01113802-94J00-000

SCREW

Винт

по запросу
01213534-94J00-000

SCREW, STOP

Стопорный винт

по запросу
01313268-94J00-000

SPRING

Пружина

по запросу
01413251-94J00-000

GASKET, FLOAT CHAMBER

Прокладка поплавковой камеры

по запросу
01513245-94J00-000

CHAMBER, FLOAT (DF9.9, ->3240-94J00, CHAMBER ASSY, INC.NO.14~17,27,28)

Поплавковая камера (для моделей DF9.9, ->3240-94J00, блок камеры включает номера 14-17,27,28)

по запросу
13245-94J10-000

CHAMBER, FLOAT (DF9.9R, ->3240-94J10, CHAMBER ASSY, INC.NO.14~17,27,28)

Поплавковая камера (для моделей DF9.9R, ->3240-94J10, блок камеры включает номера 14-17,27,28)

по запросу
13245-94J20-000

CHAMBER, FLOAT (DF15, ->3240-94J20, CHAMBER ASSY, INC.NO.14~17,27,28)

Поплавковая камера (для моделей DF15, ->3240-94J20, блок камеры включает номера 14-17,27,28)

по запросу
13245-94J30-000

CHAMBER, FLOAT (DF15R, ->3240-94J30, CHAMBER ASSY, INC.NO.14~17,27,28)

Поплавковая камера (для моделей DF15R, ->3240-94J30, блок камеры включает номера 14-17,27,28)

по запросу
01613279-94J00-000

SCREW, DRAIN

Винт дренажный

по запросу
01713523-94J00-000

O RING

Кольцо уплотнительное

по запросу
01813345-94J00-000

U RING

Кольцо

по запросу
01913346-94J00-000

COVER (DF9.9)

Крышка (для моделей Suzuki DF9.9)

по запросу
13346-94J10-000

COVER (DF9.9R)

Крышка (для моделей Suzuki DF9.9R)

по запросу
13346-94J20-000

COVER (DF15)

Крышка (для моделей Suzuki DF15)

по запросу
13346-94J30-000

COVER (DF15R)

Крышка (для моделей Suzuki DF15R)

по запросу
02013247-94J00-000

SCREW

Винт

по запросу
02113361-94J00-000

HOLDER, CABLE (DF9.9/15)

Держатель кабеля (для моделей DF9.9/15)

по запросу
02213362-94J00-000

GUIDE, CABLE (DF9.9/15)

Направляющая кабеля (для моделей DF9.9/15)

по запросу
02313363-94J00-000

CAP, CABLE SEALING (DF9.9/15)

Крышка уплотнения кабеля (для моделей DF9.9/15)

по запросу
02413364-94J00-000

VALVE, STARTER (DF9.9/15)

Клапан стартера (для моделей DF9.9 / DF15)

по запросу
02513365-94J00-000

SPRING (DF9.9/15)

Пружина (для моделей DF9.9 / DF15)

по запросу
02613366-94J00-000

O RING (DF9.9/15)

Кольцо уплотнительное (для моделей DF9.9 / DF15)

по запросу
02713684-94J00-000

PIPE

Трубка

по запросу
02809401-05402-000

CLIP

Крепёж

по запросу
02913428-06F30-000

PLATE (DF9.9R/15R)

Пластина (для моделей DF9.9R / DF15R)

по запросу
03013367-94J00-000

SCREW (DF9.9R/15R)

Винт (для моделей DF9.9R / DF15R)

по запросу
03113368-94J00-000

STARTER ASSY (DF9.9R/15R)

Стартер в сборе (для моделей DF9.9R / DF15R)

по запросу
03213494-94J00-000

CLIP (DF15/15R)

Крепёж (для моделей DF15 / DF15R)

по запросу
03313495-94J00-000

CAP, RUBBER (DF15/15R)

Крышка резиновая (для моделей DF9.9R / DF15R)

по запросу
03413493-94J00-000

PLUNGER (DF15/15R)

Распылитель (для моделей DF9.9R / DF15R)

по запросу
03513441-94J00-000

SPRING (DF15/15R)

Пружина (для моделей DF9.9R / DF15R)

по запросу
03609103-06276-000

BOLT

Болт

по запросу
03713125-94J01-000

GASKET, CARBURETOR

Прокладка карбюратора

по запросу
03813124-94J00-000

INSULATOR

Инсталяция

по запросу
03913127-94J00-000

GASKET, INSULATOR

Прокладка инсталяции

по запросу
04013640-94J00-000

KNOB ASSY, STARTER (DF9.9/15)

Рукоятка стартера, в сборе (для моделей Suzuki DF9.9/15)

по запросу
04118498-94J00-000

PROTECTOR, STARTER CABLE (DF9.9/15)

Протектор кабеля стартера (для моделей Suzuki DF9.9/15)

по запросу
04209403-12318-000

CLAMP (DF9.9/15)

Хомут (для моделей Suzuki DF9.9/15)

по запросу
04359252-94J00-000

PLUG, STARTER KNOB (DF9.9R/15R)

Заглушка ручки стартера (для моделей Suzuki DF9.9R/15R)

по запросу

Другие запчасти на мотор Suzuki DF15 SK9 - подобрать и купить


 
 

данный сайт носит информационный характер и не является публичной офертой

склад запчастей для водомоторной техники