вконтакте

Контактный телефон: +7 (981) 121-46-93, +7 (800) 200-90-76 , Email: parts-katalog@yandex.ru, где купить

 
 
Главная Как заказать Каталоги Контакты

  Логин:

Пароль:

Регистрация

Узнать наличие и цену запчасти:


УВАЖАЕМЫЕ КЛИЕНТЫ!
C 19 ДЕКАБРЯ 2025 ПО 02 МАРТА 2026 ГОДА ОТДЕЛ ЗАПЧАСТЕЙ И СЕРВИС РАБОТАТЬ НЕ БУДУТ
ПРОДАЖА ЛОДОЧНЫХ МОТОРОВ В ШТАТНОМ РЕЖИМЕ
ОБ ИЗМЕНЕНИЯХ В ГРАФИКЕ РАБОТЫ ЧИТАЙТЕ НА САЙТА



Лодочные моторы :: Suzuki :: Четырехтактные :: Suzuki DF15SK9 2009


ЗАПЧАСТИ НА ПОДВЕСНОЙ ЛОДОЧНЫЙ МОТОР SUZUKI DF15 S K9
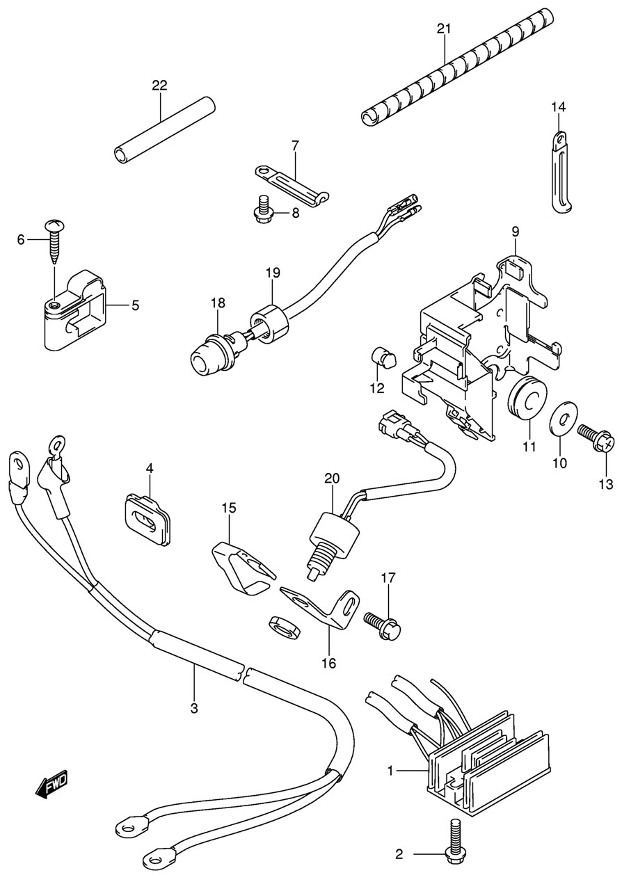
ВЫПРЯМИТЕЛЬ (RECTIFIER) (МОДЕЛИ 2005-2009)

выпрямитель suzuki df15 sk9 2005-2009 года

Чтобы узнать цену, наличие запасной части на складе или купить, нажмите ссылку "запросить цену". Чтобы посмотреть подробную информацию и фотографии, нажмите на код запчасти. Для запчастей со статусом "не поставляется" можете попробовать уточнить возможность поставки.

все блоки

Номер
на чертеже
Код по каталогуНазвание (eng)Название (rus)Цена
00132800-94J11-000

RECTIFIER/REGULATOR ASSY (ELECTRIC STARTER)

Выпрямитель и регулятор (для моделей с электростартером)

по запросу
32800-94J01-000

RECTIFIER/REGULATOR ASSY (DF9.9R/15R)

Выпрямитель и регулятор (для моделей Suzuki DF9.9R/15R)

по запросу
00201550-06257-000

BOLT

Болт

по запросу
00333810-94J00-000

CABLE, STARTER (ELECTRIC STARTER)

Кабель стартера (для моделей с электростартером)

по запросу
00433811-94J10-000

GROMMET, STARTER CABLE (ELECTRIC STARTER)

Втулка кабеля (для моделей с электростартером)

по запросу
00533816-94J00-000

CLAMP, CABLE (ELECTRIC STARTER)

Струбцина кабеля (для моделей с электростартером)

по запросу
00603241-0625A-000

SCREW (ELECTRIC STARTER)

Винт (для моделей с электростартером)

по запросу
00729404-93J10-000

CLAMP, RECTIFIER LEAD (<-9404-06432)

Струбцина переключателя (<-9404-06432)

по запросу
29404-93J20-000

CLAMP, RECTIFIER LEAD (DF9.9R/15R)

Струбцина переключателя (для моделей DF9.9R/15R)

по запросу
00801550-06127-000

BOLT

Болт

по запросу
00932890-94J00-000

HOLDER, ELECTRIC PARTS

Держатель, каталог электрики

по запросу
01009160-06054-000

WASHER

Шайба

по запросу
01109320-12011-000

CUSHION

Валик

по запросу
01209321-06013-000

CUSHION

Валик капота

по запросу
01302162-06167-000

SCREW

Болт

по запросу
01409407-11401-000

CLAMP, SWITCH LEAD (MANUAL STARTER)

Струбцина переключателя (ручной стартер)

по запросу
01537725-94302-000

ACTUATOR, NEUTRAL SW

Переключатель силового привода (нейтральный)

по запросу
01637726-95D02-000

BRACKET, NEUTRAL SW

Кронштейн нейтрального переключателя

по запросу
37726-94J00-000

BRACKET, NEUTRAL SW (DF9.9:681261~, DF15:682163~)

Кронштейн нейтрального переключателя (для моделей DF9.9:681261~, DF15:682163~)

по запросу
01701550-06167-000

BOLT

Болт

по запросу
01837161-94J00-000

SWITCH, STARTING MOTOR (ELECTRIC STARTER)

Переключатель - запуск мотора (для моделей с электростартером)

по запросу
01909159-14014-000

NUT (ELECTRIC STARTER)

Гайка (для моделей с электростартером)

по запросу
02037721-94J01-000

SWITCH ASSY, NEUTRAL

Переключатель нейтральный, в сборе

по запросу
02133833-91J00-000

TUBE, THROTTLE CABLE (L:250->0)

Труба, кабель газа (L:250->0)

по запросу
02233833-94J00-000

TUBE, SWITCH LEAD (ELECTRIC STARTER)

Труба, переключатель вперед (для моделей с электростартером)

по запросу

Купить запчасти на Suzuki DF 15 S K9


 
 

данный сайт носит информационный характер и не является публичной офертой

склад запчастей для водомоторной техники