вконтакте

Контактный телефон: +7 (981) 121-46-93, +7 (800) 200-90-76 , Email: parts-katalog@yandex.ru, где купить

 
 
Главная Как заказать Каталоги Контакты

  Логин:

Пароль:

Регистрация

Узнать наличие и цену запчасти:


УВАЖАЕМЫЕ КЛИЕНТЫ!
C 19 ДЕКАБРЯ 2025 ПО 02 МАРТА 2026 ГОДА ОТДЕЛ ЗАПЧАСТЕЙ И СЕРВИС РАБОТАТЬ НЕ БУДУТ
ПРОДАЖА ЛОДОЧНЫХ МОТОРОВ В ШТАТНОМ РЕЖИМЕ
ОБ ИЗМЕНЕНИЯХ В ГРАФИКЕ РАБОТЫ ЧИТАЙТЕ НА САЙТА



Лодочные моторы :: Suzuki :: Четырехтактные :: Suzuki DF15SK9 2009


ЗАПЧАСТИ ДЛЯ ПОДВЕСНОГО МОТОРА SUZUKI DF15-S-K9
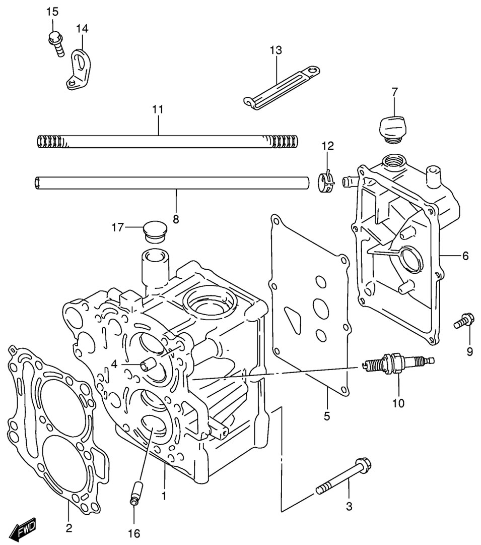
ГОЛОВКА БЛОКА ЦИЛИНДРОВ (CYLINDER HEAD)

лодочный двигатель suzuki df15s k9 - головка блока цилиндров

Чтобы узнать цену, наличие запасной части на складе или купить, нажмите ссылку "запросить цену". Чтобы посмотреть подробную информацию и фотографии, нажмите на код запчасти. Для запчастей со статусом "не поставляется" можете попробовать уточнить возможность поставки.

все блоки

Номер
на чертеже
Код по каталогуНазвание (eng)Название (rus)Цена
00111110-93E11-0EP

HEAD, CYLINDER

Головка цилиндров

по запросу
00211141-93E20-000

GASKET, CYLINDER HEAD

Прокладка головки цилиндров

по запросу
00309116-08110-000

BOLT

Болт (8X65)

по запросу
00404211-11129-000

PIN

Стопор

по запросу
00511162-93E01-000

GASKET, CYLINDER HEAD COVER

Прокладка крышки

по запросу
00611170-93E00-0EP

COVER, CYLINDER HEAD

Крышка главного цилиндра

по запросу
00709200-20810-000

CAP, OIL FILLER

Колпачок масляного фильтра

по запросу
00811196-94J00-320

HOSE, BREATHER

Шланг сапуна

по запросу
00909103-06186-000

BOLT (6X16)

Болт (6X16)

по запросу
01009482-00446-000

PLUG, SPARK (DCPR6E) (<-9482-94J00)

Свеча зажигания (DCPR6E)

по запросу
01116919-94J20-280

PROTECTOR, BREATHER HOSE

Протектор шланга

по запросу
01209401-12405-000

CLIP

Крепёж

по запросу
01309404-08207-000

CLAMP

Хомут

по запросу
01411291-91B50-000

HOOK, ENGINE (OPT)

Крюк двигателя (опция)

по запросу
01501550-08207-000

BOLT (OPT)

Болт (опция)

по запросу
01611115-93E00-001

GUIDE, VALVE (OS:0.30) (OPT)

Направляющая клапана (OS:0.30) (опция)

по запросу
01709250-10006-000

PLUG, OIL LEVEL GAUGE HOLE

Заглушка отвертия для проверки уровня масла

по запросу

Содержание каталога запчастей на Suzuki DF15 SK9


 
 

данный сайт носит информационный характер и не является публичной офертой

склад запчастей для водомоторной техники