вконтакте

Контактный телефон: +7 (981) 121-46-93, +7 (800) 200-90-76 , Email: parts-katalog@yandex.ru, где купить

 
 
Главная Как заказать Каталоги Контакты

  Логин:

Пароль:

Регистрация

Узнать наличие и цену запчасти:


УВАЖАЕМЫЕ КЛИЕНТЫ!
C 19 ДЕКАБРЯ 2025 ПО 02 МАРТА 2026 ГОДА ОТДЕЛ ЗАПЧАСТЕЙ И СЕРВИС РАБОТАТЬ НЕ БУДУТ
ПРОДАЖА ЛОДОЧНЫХ МОТОРОВ В ШТАТНОМ РЕЖИМЕ
ОБ ИЗМЕНЕНИЯХ В ГРАФИКЕ РАБОТЫ ЧИТАЙТЕ НА САЙТА



Лодочные моторы :: Suzuki :: Четырехтактные :: Suzuki DF140 TL (E1) K11


ДОПОЛНИТЕЛЬНЫЕ ОПЦИИ SUZUKI DF140TL K11 (E1) 2011
ИЗМЕРИТЕЛЬНЫЕ ПРИБОРЫ (METER - OPTION)
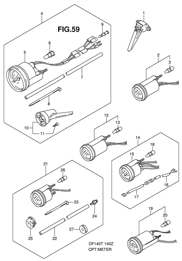
FIG.59

опции Suzuki DF140 TL K11 - измерительные приборы

Чтобы узнать цену, наличие запасной части на складе или купить, нажмите ссылку "запросить цену". Чтобы посмотреть подробную информацию и фотографии, нажмите на код запчасти. Для запчастей со статусом "не поставляется" можете попробовать уточнить возможность поставки.

все блоки

Номер
на чертеже
Код по каталогуНазвание (eng)Название (rus)Цена
00134190-87D00-000

SENDER ASSY, SPEEDOMETER

Сенсор спидометра

по запросу
00234800-90J02-000

METER ASSY, TRIM (<-4800-90J00)

Измеритель трима в сборе (<-4800-90J00)

по запросу
00309471-12180-000

BULB

Лампочка

по запросу
00434102-92E00-000

SPEEDOMETER SET (MAX 130 KM/H)

Спидометр в сборе (шкала в км/ч, максимум 130 км/ч)

по запросу
34102-92E10-000

SPEEDOMETER SET (MAX 80 KM/H)

Спидометр в сборе (шкала в км/ч, максимум 80 км/ч)

по запросу
34102-92E20-000

SPEEDOMETER SET (MAX 45 KNOTS)

Спидометр в сборе (шкала в милях, максимум 45 миль/ч)

по запросу
00534100-92E00-000

SPEEDOMETER (MAX 130 KM/H)

Спидометр (только прибор)
(шкала в км/ч, максимум 130 км/ч)

по запросу
34100-92E10-000

SPEEDOMETER (MAX 80 KM/H)

Спидометр (только прибор)
(шкала в км/ч, максимум 80 км/ч)

по запросу
34100-92E20-000

SPEEDOMETER (MAX 45 KNOTS)

Спидометр (только прибор)
(шкала в милях, максимум 45 миль/ч)

по запросу
00609471-12179-000

BULB

Лампочка

по запросу
00734191-92E00-000

TUBE

Трубка

по запросу
00809407-14407-000

BAND

Ремешок

по запросу
00936615-96300-000

TERMINAL, RESIN

Резиновый контакт

по запросу
01034190-95500-000

SENDER ASSY, SPEEDOMETER

Сенсор спидометра в сборе

по запросу
01103112-06303-000

SCREW

Винт

по запросу
01234600-92E00-000

METER ASSY, VOLTAGE

Вольтметр в сборе

по запросу
01309471-12180-000

BULB

Лампочка

по запросу
01434300-92E01-000

GAUGE ASSY, FUEL

Датчик топлива, в сборе

по запросу
01534320-92E01-000

GAUGE, FUEL

Датчик топлива

по запросу
01634310-92E00-000

LEAD, FUEL GAUGE

Проводка датчика топлива

по запросу
01734360-92E00-000

ADAPTER, FUEL GAUGE

Адаптер датчика топлива

по запросу
01809471-12180-000

BULB

Лампочка

по запросу
01934500-92E00-000

METER ASSY, HOUR

Счетчик моточасов в сборе

по запросу
02009471-12180-000

BULB

Лампочка

по запросу
02134650-92E00-000

GAUGE ASSY, WATER PRESSURE (30PSI)

Прибор измерения давления воды в сборе (30 PSI)

по запросу
02234191-92E00-000

TUBE

Трубка

по запросу
02309407-14407-000

BAND

Ремешок

по запросу
02434652-92E00-000

UNION

Соединение

по запросу
02536658-95600-000

GROMMET

Втулка измерителя

по запросу
02609471-12180-000

BULB

Лампочка

по запросу
02709320-08028-000

GROMMET

Валик

по запросу

Другие опции для Suzuki DF140 TL K11 (E1) 2011


 
 

данный сайт носит информационный характер и не является публичной офертой

склад запчастей для водомоторной техники