вконтакте

Контактный телефон: +7 (981) 121-46-93, +7 (800) 200-90-76 , Email: parts-katalog@yandex.ru, где купить

 
 
Главная Как заказать Каталоги Контакты

  Логин:

Пароль:

Регистрация

Узнать наличие и цену запчасти:


УВАЖАЕМЫЕ КЛИЕНТЫ!
C 19 ДЕКАБРЯ 2025 ПО 02 МАРТА 2026 ГОДА ОТДЕЛ ЗАПЧАСТЕЙ И СЕРВИС РАБОТАТЬ НЕ БУДУТ
ПРОДАЖА ЛОДОЧНЫХ МОТОРОВ В ШТАТНОМ РЕЖИМЕ
ОБ ИЗМЕНЕНИЯХ В ГРАФИКЕ РАБОТЫ ЧИТАЙТЕ НА САЙТА



Лодочные моторы :: Suzuki :: Четырехтактные :: Suzuki DF140 TLK11 (E1) K11


КУПИТЬ ЗАПЧАСТИ ДЛЯ SUZUKI DF140 TLK11 (E1) 2011
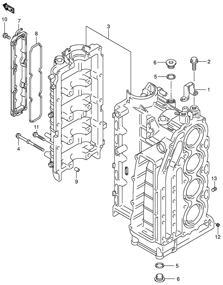
БЛОК ЦИЛИНДРА (CYLINDER BLOCK)

блок цилиндра на Suzuki DF140 TLK11 (E1) 2011

Чтобы узнать цену, наличие запасной части на складе или купить, нажмите ссылку "запросить цену". Чтобы посмотреть подробную информацию и фотографии, нажмите на код запчасти. Для запчастей со статусом "не поставляется" можете попробовать уточнить возможность поставки.

все блоки двигателя

Номер
на чертеже
Код по каталогуНазвание (eng)Название (rus)Цена
00111291-90J10-000

HOOK, ENGINE

Крюк двигателя

по запросу
00201550-12307-000

BOLT

Болт

по запросу
00311300-92J00-000

BLOCK, CYLINDER

Блок цилиндров

по запросу
11300-92J10-000

BLOCK, CYLINDER (MODEL:04~06)

Блок цилиндров (модели 2004-2006 года)

по запросу
11300-92J11-000

BLOCK, CYLINDER (DF140T:682149~, DF140Z:680234~)

Блок цилиндров (модели DF140T:682149~, DF140Z:680234~)

по запросу
00411117-90J01-000

BOLT, CRANKCASE (<-1117-90J00)

Болт картера (<-1117-90J00)

по запросу
00511216-77E00-000

GASKET, OIL GALLERY PLUG

Прокладка заглушка масляной магистрали

по запросу
00609248-18011-000

PLUG, OIL GALLERY

Заглушка масляной магистрали

по запросу
00711330-90J00-000

COVER, CRKC WTR JKT

Крышка картера

по запросу
00811332-90J00-000

O RING, CRKC WTR JKT COVER

Кольцо крышки картера

по запросу
00909206-13019-000

PIN

Стопор

по запросу
01001550-06207-000

BOLT

Болт

по запросу
01109116-08124-000

BOLT (8x43)

Болт (8x43)

по запросу
01211112-90J00-000

PLUG, OIL VENTURI

Заглушка трубки Вентури

по запросу
01309246-05006-000

PLUG

Заглушка

по запросу

Запчасти для Suzuki DF140TL K11 (E1) 2011


 
 

данный сайт носит информационный характер и не является публичной офертой

склад запчастей для водомоторной техники